长辈版
无障碍
繁体中文
您的位置:
首页
> 宿州市埇桥区人民政府
>
重大建设项目领域
>
批准服务信息
>
办事指南
信息分类:
内容分类:
办事指南
发文日期:
2023-06-28 14:46:01
生成日期:
2023-06-28 14:46:01
生效时间:
有效
废止时间:
暂无
发布机构:
宿州市埇桥区人民政府
文 号:
名 称:
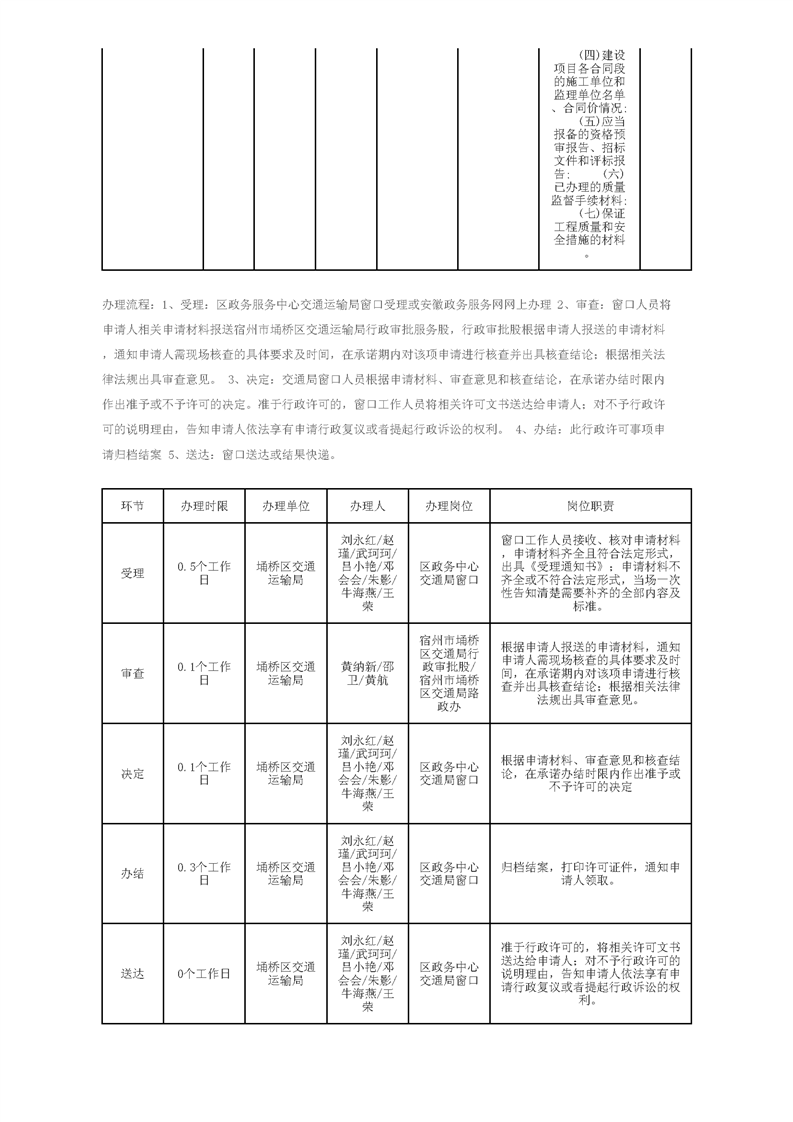
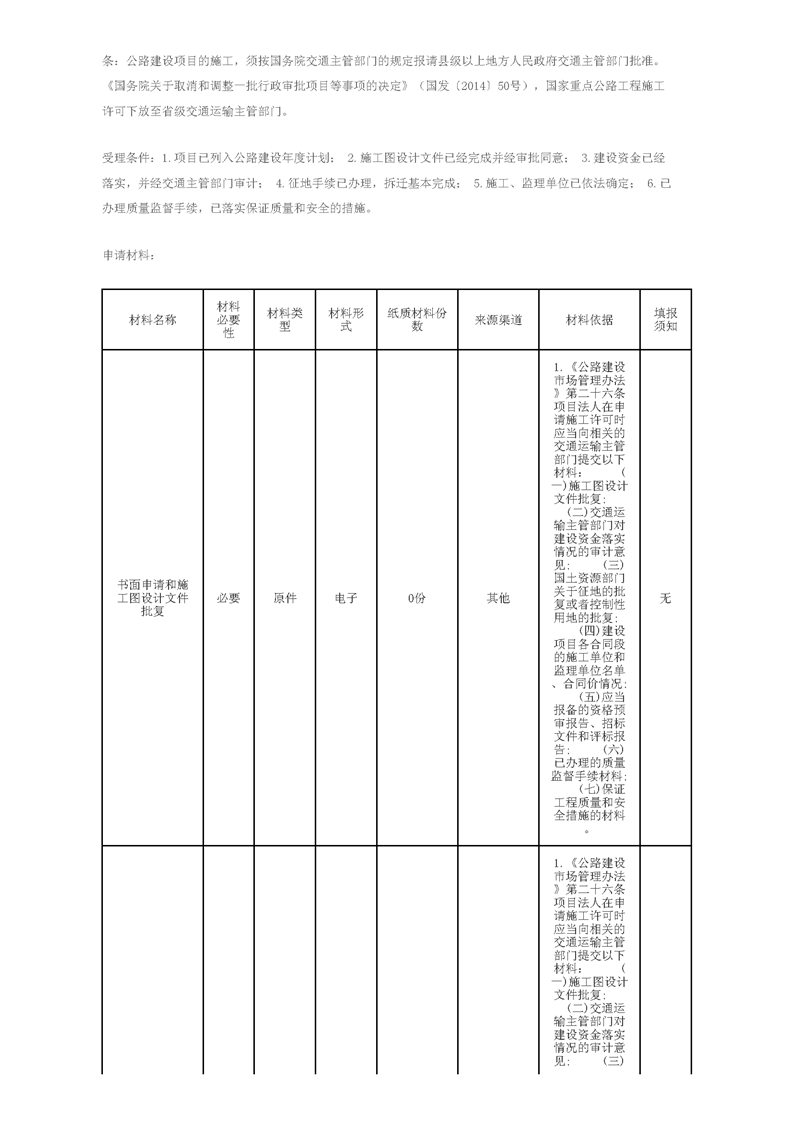
农村公路工程项目施工许可办事指南
关
键
词:
农村公路工程项目施工许可办事指南
文章来源: 宿州市埇桥区交通运输局
浏览量:
发表时间:2023-06-28 14:46
责任编辑: 埇桥交通运输局
字体大小:
【
大
中
小
】
map